Mga Pabor at Di-pabor ng Double-Busbar Configuration sa mga Substation
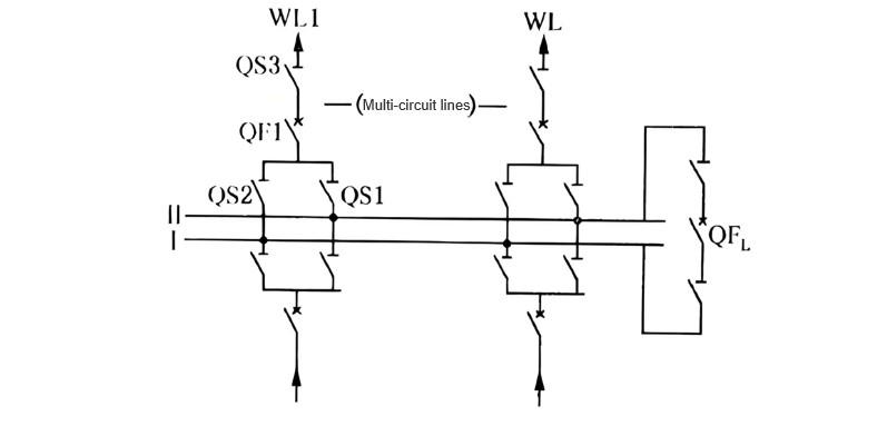
Ang isang substation na may double-busbar configuration ay gumagamit ng dalawang set ng busbars. Ang bawat pinagmulan ng lakas at bawat linyang nagsisilbing labasan ay konektado sa parehong busbars gamit ang isang circuit breaker at dalawang disconnectors, na nagbibigay-daan para maging working o standby busbar ang anumang busbar. Ang dalawang busbars ay konektado sa bawat isa sa pamamagitan ng isang bus tie circuit breaker (tinatawag na bus coupler, QFL), tulad ng ipinapakita sa larawan sa ibaba.

I. Mga Pabor ng Double Busbar Connection
Pangmaramihang mode ng operasyon. Ito ay maaaring mag-operate na parehong busbars ay may kuryente sa parehas na oras sa pamamagitan ng pagsama-sama ng mga pinagmulan ng lakas at mga linyang nagsisilbing labasan sa pagitan ng dalawang busbars at pag-sara ng bus tie circuit breaker; o maaari itong mag-operate bilang iisang busbar na may sectionalization sa pamamagitan ng pagbukas ng bus tie circuit breaker.
Kapag ang isang busbar ay nasa maintenance, ang mga pinagmulan ng lakas at mga linyang nagsisilbing labasan ay maaari pa ring magpatuloy na mag-operate nang walang pagkaka-interrupt sa pagbibigay ng lakas sa mga customer. Halimbawa, kapag ang Bus I ang nangangailangan ng maintenance, lahat ng mga circuit ay maaaring ilipat sa Bus II—karaniwang tinatawag na “bus transfer.” Ang mga espesipikong hakbang ay kasunod:
Una, suriin kung ang Bus II ay nasa mahusay na kondisyon. Para dito, isara ang mga disconnector sa parehong bahagi ng bus tie circuit breaker QFL, pagkatapos ay isara ang QFL upang kargahan ang Bus II. Kung ang Bus II ay buo, maaari nang magpatuloy sa susunod na mga hakbang.
Ilipat lahat ng mga circuit sa Bus II. Una, alisin ang DC control fuse ng QFL, pagkatapos ay sunud-sunurin ang pagsasara ng mga Bus II-side bus disconnectors ng lahat ng mga circuit at buksan ang mga Bus I-side disconnectors.
Ibalik ang DC control fuse ng QFL, pagkatapos ay buksan ang QFL at ang mga disconnector nito sa parehong bahagi. Maaari nang alisin ang Bus I para sa maintenance.
Kapag ang bus disconnector ng anumang circuit ang nasa maintenance, ang iisang circuit lamang ang kailangang alisin mula sa kuryente. Halimbawa, upang maintindihan ang bus disconnector QS1, unang buksan ang circuit breaker QF1 ng outgoing line WL1 at ang mga disconnector nito sa parehong bahagi, pagkatapos ay ilipat ang pinagmulan ng lakas at lahat ng iba pang mga outgoing lines sa Bus I. Ang QS1 ay maaaring lubos na i-isolate mula sa pinagmulan ng lakas at ma-maintain nang ligtas.
Kapag ang Bus I ay may fault, maaaring mabilis na muling mapabalik ang lahat ng mga circuit. Kapag ang short-circuit fault ang nangyari sa Bus I, ang mga circuit breaker ng lahat ng mga circuit ng pinagmulan ng lakas ay awtomatikong trip. Sa oras na ito, buksan ang mga circuit breaker ng lahat ng mga outgoing lines at ang kanilang mga Bus I-side disconnectors, isara ang mga Bus II-side bus disconnectors ng lahat ng mga circuit, at pagkatapos ay muli silang isara ang mga circuit breaker ng lahat ng mga pinagmulan ng lakas at outgoing lines—na mabilis na muling mapabalik ang lahat ng mga circuit sa Bus II.
Kapag ang anumang line circuit breaker ang nasa maintenance, maaaring pansamantalang palitan ito ng bus tie circuit breaker. Bilang halimbawa, ang maintenance ng QF1, ang mga hakbang ng operasyon ay: una, ilipat lahat ng iba pang mga circuit sa ibang busbar upang ang QFL at QF1 ay konektado sa serye sa pamamagitan ng busbar. Pagkatapos ay buksan ang QF1 at ang mga disconnector nito sa parehong bahagi, alisin ang wiring sa parehong dulo ng QF1, at lagyan ng pansamantalang current-carrying “jumper.” Pagkatapos, isara ang mga disconnector sa parehong bahagi ng jumper at ang bus tie circuit breaker QFL. Kaya, ang outgoing line WL1 ay ngayon kontrolado ng QFL. Sa proseso na ito, ang WL1 ay nakaranas lamang ng maikling pagka-interrupt ng lakas. Parehong, kung ang anomalya (hal. fault, hindi gumana, o prohibited operation) ay natuklasan sa in-service line circuit breaker, maaaring ilipat ang lahat ng iba pang mga circuit sa ibang busbar upang bumuo ng serye ng power supply circuit na may QFL at ang may fault na breaker sa pamamagitan ng busbar. Pagkatapos, buksan ang QFL, at pagkatapos ay buksan ang mga disconnector sa parehong bahagi ng may fault na breaker, na nagreresulta sa pag-aalis nito sa serbisyo.
Madali ang pag-expand. Ang double busbar configuration ay nagbibigay-daan sa pag-extend sa anumang bahagi nito nang hindi naapektuhan ang distribusyon ng pinagmulan ng lakas at load sa mga busbars. Ang mga gawain sa pag-expand ay hindi nagdudulot ng outage sa umiiral na mga circuit.
II. Mga Di-pabor ng Double Busbar Connection
Sa panahon ng bus transfer operations, ang lahat ng mga load current circuits ay kailangang ilipat gamit ang mga disconnector, na nagbibigay-daan sa komplikadong proseso at madaling makalimutan ng operator.
Ang fault sa Bus I ay nagdudulot ng maikling total outage ng lahat ng mga incoming at outgoing lines (sa panahon ng bus transfer period).
Kapag ang anumang line circuit breaker ang nasa maintenance, ang circuit na iyon ay nangangailangan pa rin ng buong outage o maikling interrupt (bago ang bus tie circuit breaker substituto nito).
Ang malaking bilang ng mga bus disconnectors ang kailangan, at ang paglalaki ng haba ng busbar ay nagbibigay-daan sa mas komplikadong switchgear arrangement, na nagreresulta sa mas mataas na investment costs at mas malaking footprint.
Saklaw ng aplikasyon:
Para sa 6 kV switchgear, kapag ang short-circuit current ay mataas at kailangan ng reactors sa mga outgoing lines;
Para sa 35 kV switchgear na may higit sa 8 outgoing circuits;
Para sa 110 kV hanggang 220 kV switchgear na may higit sa 5 outgoing circuits.