| Brand | Switchgear parts |
| Model NO. | 12KV 1250A SF6 gas filling cabinet electric spring operating mechanism circuit breaker mechanism |
| Rated voltage | 12kV |
| Rated normal current | 1250A |
| Rated frequency | 50/60Hz |
| Series | RNVD-12/B2X |
Instructions for use and operation
Inflatable cabinet mechanism Power transmission operation: ①. Close the door; ②. Insert the handle into the grounding operation hole on the left side of the G mechanism, and operate clockwise to separate the locking/grounding of the lower door; ③. Insert the handle into the isolation operation hole on the right side of the G mechanism, and operate clockwise to close the isolation switch; ④. Insert the handle into the energy storage operation hole of the V mechanism and operate clockwise to store energy in the circuit breaker; ⑤. Press the closing button on the V mechanism to close the circuit breaker switch. Power outage operation: ①. Press the disconnect button on the V mechanism to open the circuit breaker switch; ②. Insert the handle into the isolation operation hole on the right side of the G mechanism, and operate counterclockwise to open the isolation switch; ③. Insert the handle into the grounding operation hole on the left side of the G mechanism, and operate counterclockwise to close the grounding switch; Only after the power outage and grounding are completed, can the lower door be opened.
Model description

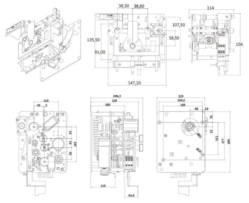
Installation dimensions
