• Product
  • Suppliers
  • Manufacturers
  • Solutions
  • Free tools
  • Knowledges
  • Experts
  • Communities
Search


Mga Paraan upang Siguruhin ang Zero Busbar Voltage Loss sa mga Substation

Felix Spark
Felix Spark
Larangan: Pagkakasira at Pagsasama-sama
China

I. Pagpapakilala

Ang mga substation ay nagsisilbing mahahalagang hub sa mga sistema ng kuryente, na may tungkulin na magpadala ng enerhiyang elektriko mula sa mga power plant hanggang sa mga end user. Ang mga busbar, bilang isang pangunahing bahagi ng mga substation, ay naglalaro ng mahalagang papel sa pagbahagi at pagpadala ng kuryente. Gayunpaman, ang mga insidente ng pagkawala ng tensyon sa busbar ay nangyayari mula sa panahon hanggang panahon, na nagpapahamak sa ligtas at matatag na operasyon ng mga sistema ng kuryente. Kaya, ang pagsiguro ng sero na pagkawala ng tensyon sa busbar sa mga substation ay naging isang mahalagang isyu sa operasyon at pagmamanento ng sistema ng kuryente.

II. Mga Dahilan ng Pagkawala ng Tensyon sa Busbar sa Substation

  1. Paggawa ng Pagsasara: Ang isang pangunahing dahilan ng pagkawala ng tensyon sa busbar ay ang pagkasira ng kagamitan, kasama ang pagkawala ng circuit breakers, disconnectors, o ang busbar mismo.

  2. Maling Operasyon: Ang hindi tama o mapang-abusong operasyon ng mga tauhan sa panahon ng switching o maintenance ay maaaring humantong sa pagkawala ng tensyon sa busbar.

  3. Panlabas na mga Factor: Ang mga natural na kalamidad (hal. lightning, lindol) o panlabas na pinsala (hal. aksidente sa konstruksyon, vandalism) maaari ring humantong sa pagkawala ng tensyon sa busbar.

  4. Kakulangan sa disenyo: Ang mahinang disenyo ng substation—tulad ng hindi sapat na layout ng busbar o hindi tama na configuration ng protection scheme—ay maaaring mag-ambag sa mga insidente ng pagkawala ng tensyon.

III. Epekto ng Pagkawala ng Tensyon sa Busbar

  1. Nabawasan ang Reliabilidad ng Pagsuministro ng Kuryente: Ang pagkawala ng tensyon sa busbar ay maaaring humantong sa partial o buong pagkawala ng kuryente para sa mga customer.

  2. Banta sa Estabilidad ng Sistema: Ito maaaring destabilize ang buong grid ng kuryente at, sa malubhang kaso, maaaring trigger ang cascading failures o pagbagsak ng sistema.

  3. Ekonomicong Pagkawala: Ang mga pagkawala ng kuryente dahil sa pagkawala ng tensyon sa busbar ay nagdudulot ng malaking financial loss para sa mga user at lipunan.

  4. Panganib sa Kaligtasan: Ang pagkawala ng tensyon ay maaaring masira ang mga kagamitan at potensyal na magdulot ng sunog o iba pang insidente sa kaligtasan.

Skid mounted substation

IV. Mga Pamamaraan ng Pag-iwas sa Pagkawala ng Tensyon sa Busbar

  1. Pagpapahusay ng Pagmamanento ng Kagamitan: Gumawa ng regular na inspection, maintenance, at maagang pagpalit ng mga kagamitan ng substation upang siguruhin ang optimal na kondisyon.

  2. Pagsasastandard ng mga Proseso ng Operasyon: Itatag ang mahigpit na protocol ng operasyon at magbigay ng komprehensibong training sa mga tauhan upang siguruhin ang tama at ligtas na operasyon.

  3. Pagpapahusay ng Antas ng Automation: Ipakilala ang advanced na teknolohiya ng automation upang mag-enable ng intelligent na pamamahala ng substation, na nagpapahusay ng kakayahan sa pag-detect at response sa mga fault.

  4. Pagpapahusay ng mga System ng Proteksyon: Tama na configure ang mga protective relays upang mapataas ang sensitivity at reliability ng mga scheme ng proteksyon ng busbar.

  5. Pagpapahusay ng Review ng Disenyo: Sa panahon ng disenyo, suriin nang maigi ang layout ng busbar, settings ng proteksyon, at redundancy upang siguruhin ang robustness.

  6. Pagpapahusay ng Kakayahang Tumugon sa Emergency: Gumawa ng detalyadong contingency plans at mag-conduct ng regular na drills upang mapabuti ang handa sa mga scenario ng pagkawala ng tensyon sa busbar.

  7. Pagpapahusay ng Panlabas na Proteksyon: Tanggapin ang mga patrol sa paligid ng substation upang agad na makilala at i-manage ang mga panlabas na banta.

  8. Pag-deploy ng Intelligent na Teknolohiya ng Monitoring: Gamitin ang real-time monitoring systems upang sundan ang operational status ng busbar at ma-detect ang mga anomalya nang maaga.

  9. Pagpapahusay ng Koordinasyon ng Komunikasyon: Palakasin ang exchange ng impormasyon sa mga dispatch centers at kalapit na mga substation upang mapabilis ang coordinated responses sa panahon ng mga pagkawala ng kuryente.

  10. Pagtatatag ng Mahabang-Term na Mekanismo: Itayo ang sustainable na framework ng pag-iwas sa pagkawala ng tensyon sa busbar, na patuloy na inirerefin at inioptimize ang mga strategy ng pag-iwas.

V. Kasunod

Ang pagkawala ng tensyon sa busbar sa mga substation ay nangangahulugan ng malaking epekto sa seguridad at estabilidad ng mga sistema ng kuryente. Sa pamamagitan ng pag-implement ng comprehensive na mga hakbang—kabilang ang pagpapahusay ng pagmamanento ng kagamitan, pagsasastandard ng operasyon, advanced na automation, optimized na mga system ng proteksyon, mahigpit na review ng disenyo, pagpapahusay ng handa sa emergency, mitigation ng panlabas na banta, intelligent na monitoring, epektibong komunikasyon, at mahabang-term na institusyonal na mekanismo—maaaring mabawasan at maiwasan ang pagkawala ng tensyon sa busbar, na siyang nagpapahusay ng ligtas, reliable, at matatag na operasyon ng mga substation.

Magbigay ng tip at hikayatin ang may-akda!
Inirerekomenda
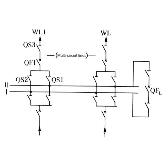
Mga Positibo at Negatibong Aspekto ng Double-Busbar Configuration sa mga Substation
Mga Positibo at Negatibong Aspekto ng Double-Busbar Configuration sa mga Substation
Mga Pabor at Di-pabor ng Double-Busbar Configuration sa mga SubstationAng isang substation na may double-busbar configuration ay gumagamit ng dalawang set ng busbars. Ang bawat pinagmulan ng lakas at bawat linyang nagsisilbing labasan ay konektado sa parehong busbars gamit ang isang circuit breaker at dalawang disconnectors, na nagbibigay-daan para maging working o standby busbar ang anumang busbar. Ang dalawang busbars ay konektado sa bawat isa sa pamamagitan ng isang bus tie circuit breaker (t
Echo
11/14/2025
Anong mga hakbang sa pag-iwas sa sunog ang magagamit para sa mga pagkakamali ng power transformer
Anong mga hakbang sa pag-iwas sa sunog ang magagamit para sa mga pagkakamali ng power transformer
Ang mga pagkakamali sa mga transformer ng kuryente ay karaniwang dulot ng matinding sobra-sobra na operasyon, maikling sipilyo dahil sa pagkasira ng insulasyon ng gulong, pagtanda ng langis ng transformer, labis na resistensya sa mga koneksyon o tap changers, pagkakamali ng high- o low-voltage fuses na gumana sa panahon ng maikling sipilyo mula sa labas, pinsala sa core, panloob na arcing sa langis, at pagtama ng kidlat.Bilang ang mga transformer ay puno ng insulating oil, ang mga sunog ay maaar
Noah
11/05/2025
Pag-aaddress ng Pagkakasala sa 35kV Substation
Pag-aaddress ng Pagkakasala sa 35kV Substation
Pagsusuri at Pag-aayos ng Mga Trip Fault sa Paggamit ng 35kV Substation1. Pagsusuri ng mga Trip Fault1.1 Mga Trip Fault na May Kaugnayan sa LinyaSa mga sistema ng kuryente, ang sakop ay malawak. Upang matugunan ang pangangailangan ng suplay ng kuryente, kailangang mag-install ng maraming linyang transmisyon—na nagbibigay ng mahalagang hamon sa pamamahala. Lalo na para sa mga espesyal na linya, ang mga ito ay madalas na naka-locate sa mga malalayong lugar tulad ng mga suburbano upang bawasan ang
Leon
10/31/2025
Analisis ng mga Sakit sa Discharge ng Busbar ng Substation at ang Kanilang mga Solusyon
Analisis ng mga Sakit sa Discharge ng Busbar ng Substation at ang Kanilang mga Solusyon
1. Mga Paraan para sa Pagdetekta ng Discharge ng Busbar1.1 Pagsusuri ng Resistance ng InsulationAng pagsusuri ng resistance ng insulation ay isang simpleng at karaniwang ginagamit na paraan sa pagsusuri ng electrical insulation. Ito ay napakasensitibo sa mga defect ng through-type insulation, kabuuang pag-absorb ng moisture, at kontaminasyon sa ibabaw—mga kondisyon na kadalasang nagresulta sa malaking pagbaba ng resistance values. Gayunpaman, ito ay mas kaunti ang epektibidad sa pagdetekta ng lo
Edwiin
10/31/2025
Inquiry
I-download
Kumuha ng IEE-Business Application
Gamit ang app na IEE-Business upang makahanap ng kagamitan makuha ang mga solusyon makipag-ugnayan sa mga eksperto at sumama sa industriyal na pakikipagtulungan kahit kailan at saanman buong pagsuporta sa pag-unlad ng iyong mga proyekto at negosyo sa enerhiya