| Brand | Wone Store |
| Model NO. | Single-phase Magnetically controlled vacuum circuit breaker |
| Rated voltage | 12kV |
| Rated normal current | 630A |
| Rated short circuit breaking current | 25kA |
| Series | MS |
The MS2-12-630/20-XX series circuit breakers are indoor switchgear based on semi-hard magnetic material actuator mechanisms. It is used in three-phase AC power systems with a rated voltage of 12KV and a frequency of 50-60Hz, serving as a protective and control device. It is particularly suitable for frequent operations at the rated current or multiple breaking of short-circuit currents. This series of circuit breakers includes the circuit breaker and the drive module.
The structure of the circuit breaker
Each phase has one actuator mechanism, which is installed perpendicularly and axially with the vacuum interrupter. The three excitation coils are connected in parallel. The three-phase actuator
mechanisms achieve synchronous action through the synchronous shaft and simultaneously generate auxiliary switch position signal output.
The vacuum interrupter adopts an external bellows, and the bellows is made by the stainless steel lamination welding process. The contact opening distance is 8mm and the overtravel is 2mm. The contacts are designed based on the principle of longitudinal magnetic field arc extinguishing.
Contact pressure spring on the insulating rod to ensure reliable contact between the moving and static contacts of the VI and that the related actions comply with the operational characteristic
requirements.
The insulating frame is made of SMC, which encloses the upper and lower terminals, operating insulating rods, flexible connections, vacuum interrupters and other components, playing the role of insulation and support.
Application
Suitable for air insulated switchgear, for arc elimination line selection, phase selection, bypass and other applications.
Technology parameters
No. |
Item |
Unit |
MS4-21 |
MS4-22 |
1 |
Rated voltage |
kV |
12 |
12 |
2 |
Rated current |
A |
630 |
630 |
3 |
Rated power frequency withstand voltage |
kV |
42 |
42 |
4 |
Rated impulse withstand voltage |
kV |
85 |
85 |
5 |
Rated short circuit breaking current |
kA |
20 |
25 |
6 |
Rated peak withstand current |
kA |
50 |
63 |
7 |
Rated short-circuit withstand current |
kA |
20 |
25 |
8 |
Duration of short circuit |
s |
4 |
4 |
9 |
Rated frequency |
Hz |
50 |
50 |
10 |
Phase center distance |
mm |
200 |
200 |
11 |
Contact distance |
mm |
8±0.5 |
8±0.5 |
12 |
Over travel |
mm |
2±0.5 |
±0.5 |
13 |
Rated operation cycle |
- |
O-0.3s-CO-15s-CO |
|
14 |
Inherent closing time(don’t include DM time) |
ms |
< 25 |
< 25 |
15 |
Different time of closing operation |
ms |
≤2 |
≤2 |
16 |
Bouncing time |
ms |
≤2 |
≤2 |
17 |
Inherent opening time(don’t include DM time) |
ms |
5±0.5 |
5±0.5 |
18 |
Different time of opening operation |
ms |
≤2 |
≤2 |
19 |
Mechanical operations (CO-cycles) |
Times |
50000 |
50000 |
20 |
Rated short-circuit-breaking current time |
Times |
50 |
50 |
21 |
Number of auxiliary switches |
pcs |
3NO+2NC |
|
22 |
Weight |
kg |
13 |
13 |
Note:Aluminum heat sinks need to be added.
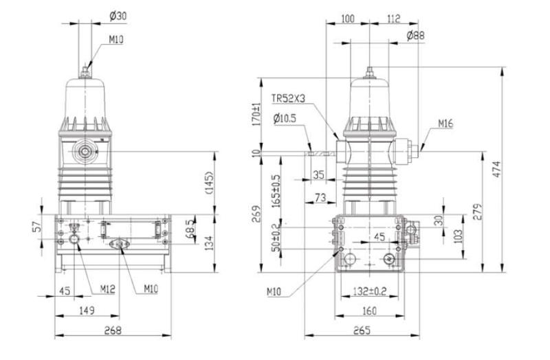
Dimension
