1. లైట్నింగ్ స్ట్రైక్ల సమయంలో RCD ఫాల్స్ ట్రిప్పింగ్ ద్వారా చేర్చబడుతున్న శక్తి విరమణ సమస్యలు
ఒక టైపికల్ కమ్యూనికేషన్ శక్తి సర్క్యూట్ ఫిగర్ 1 లో చూపబడింది. రిజిడ్యువల్ కరెంట్ డైవైస్ (RCD) శక్తి ఇన్పుట్ టర్మినల్ల వద్ద నిర్మించబడింది. RCD ప్రధానంగా విద్యుత్ ఉపకరణాల లీకేజ్ కరెంట్ల విరోధం చేయడం మరియు వ్యక్తిగత భద్రత ఖాతరీ చేయడం వద్ద పని చేస్తుంది, అంతేకాక శక్తి సర్క్యూట్ శాఖల వద్ద లైట్నింగ్ ప్రవేశాన్ని విరోధించడానికి సర్జ్ ప్రొటెక్టివ్ డైవైస్లు (SPD) నిర్మించబడతాయి. లైట్నింగ్ స్ట్రైక్ల సమయంలో, సెన్సర్ సర్క్యూట్లు అనేక అనియంత్రిత లైట్నింగ్ పల్స్ కరెంట్లను మరియు డిఫరెన్షియల్ మోడ్ అనియంత్రిత కరెంట్లను ప్రభావితం చేయవచ్చు. డిఫరెన్షియల్ మోడ్ కరెంట్ RCD ట్రిప్పింగ్ ట్రశోల్డ్ను దాటినప్పుడు, ఫాల్స్ ఓపరేషన్ జరుగుతుంది. అదేవిధంగా, కమ్యూనికేషన్ ఉపకరణాల లీకేజ్ కరెంట్ RCD ట్రిప్పింగ్ ట్రశోల్డ్నకు దగ్గరగా ఉంటే, వర్షాకాలంలో అనియంత్రిత మ్యాగ్నటిక్ ఫ్లక్స్ RCD ఫాల్స్ ట్రిప్పింగ్ను సులభంగా చేయవచ్చు.

లైట్నింగ్ కరెంట్ ఒక తుది కరెంట్ అని భావించవచ్చు, ఇది ఒక్కసారి లేదా ఎన్నో సార్లు పల్స్లను తోయించవచ్చు. F1 మరియు F2 సర్జ్ ప్రొటెక్టివ్ డైవైస్ల ద్వారా ప్రవహించే కరెంట్లు వరుసగా I1 మరియు I2. I1 అనేకసార్లు I2 కి సమానం కాదు, ఇది డిఫరెన్షియల్ మోడ్ అనియంత్రితత్వాన్ని సృష్టిస్తుంది. డిఫరెన్షియల్ మోడ్ అనియంత్రితత్వం RCD రిజిడ్యువల్ కరెంట్ ఓపరేటింగ్ విలువను దాటినప్పుడు, ప్రొటెక్టర్ ట్రిప్ చేస్తుంది, సర్క్యూట్ విచ్ఛిన్నం అవుతుంది, కమ్యూనికేషన్ ఉపకరణాలు పనిచేయకుండా వస్తాయి, మనువల్ని శక్తి పునరుద్ధారణ చేయాలి. కమ్యూనికేషన్ స్టేషన్లు ప్రధానంగా మనువల్ని ఉన్నాయి; ఒక ప్రాంతంలో లైట్నింగ్ స్ట్రైక్ల సమయంలో, కొన్ని కమ్యూనికేషన్ స్టేషన్లు శక్తిని గుండెకు పోయి చాలా చట్టంలో కమ్యూనికేషన్లను పునరుద్ధారించలేవు. అందువల్ల, ఈ సమస్యను పరిష్కరించడం అవసరం.
2. ఆటో-రిక్లోజింగ్ రిజిడ్యువల్ కరెంట్ ప్రొటెక్టివ్ డైవైస్ పనిప్రక్రియ
ఆటో-రిక్లోజింగ్ RCD ఫాల్స్ ట్రిప్పింగ్ ద్వారా చేర్చబడుతున్న శక్తి విరమణ సమస్యలను పరిష్కరించడానికి ఒక చాలా చక్రాంగం విధానం. ఆటో-రిక్లోజింగ్ ఉన్నత-వోల్టేజ్ శక్తి వ్యవస్థలలో సాధారణంగా ఉపయోగించబడుతుంది మరియు చాలా చక్రాంగం ఫలితాలను చేర్చింది. అయితే, భద్రత కారణాల వల్ల, ఇది తక్కువ-వోల్టేజ్ ప్రజా శక్తి వ్యవస్థలలో అంత ప్రసారం చేయబడలేదు. చైనా కమ్యూనికేషన్ వ్యవస్థలు గత కొన్ని సంవత్సరాలలో ఇది ఉపయోగిస్తున్నాయి మరియు YD/T 2346-2011 "టెలికమ్యూనికేషన్ల ఆటో-రిక్లోజింగ్ రిజిడ్యువల్ కరెంట్ ప్రొటెక్టివ్ డైవైస్ల టెక్నికల్ కండిషన్స్" స్థాపించారు, ఇది చాలా చక్రాంగం ఉపయోగాన్ని చేర్చింది.
లైట్నింగ్ వలన RCD ఫాల్స్ ట్రిప్పింగ్ జరుగినప్పుడు మరియు సర్క్యూట్ విచ్ఛిన్నం అయినప్పుడు, ఆటో-రిక్లోజింగ్ రిజిడ్యువల్ కరెంట్ ప్రొటెక్టివ్ డైవైస్ స్వయంగా స్విచ్ని బంధం చేస్తుంది. లైట్నింగ్ కరెంట్ తుది కరెంట్ కాబట్టి, లైట్నింగ్ స్ట్రైక్ తర్వాత, I1≈I2, రిక్లోజింగ్ విజయవంతంగా జరుగుతుంది, శక్తి పునరుద్ధారణ చేస్తుంది, కమ్యూనికేషన్లు పునరావిరభవిస్తాయి.
ఆటో-రిక్లోజింగ్ కార్యకలాపం షరతులతో సంబంధం ఉంటుంది మరియు భద్రత మరియు ఇతర కారణాలను పరిగణించాలి. రెండు ఆటో-రిక్లోజింగ్ విధానాలు ఉన్నాయి: ఒకటి లీకేజ్ కరెంట్ షరతులను పరిశోధించి రిక్లోజింగ్ చేయడం; రెండవది పరిశోధన లేని రిక్లోజింగ్ చేయడం.
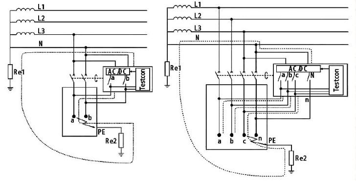
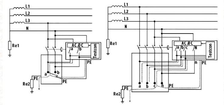
స్వయంగా L-PE లీకేజ్ ఫాల్ట్ పరిశోధన ఉన్న ఆటో-రిక్లోజింగ్ డైవైస్ (ఇందులో ప్రత్యేకంగా పరిశోధన రిక్లోజర్ అని పిలుస్తారు) ఇలక్ట్రిక్ ఓపరేటింగ్ మెకనిజం, నియంత్రణ సర్క్యూట్, పరిశోధన సర్క్యూట్, మరియు ఔట్పుట్ ఇంటర్ఫేస్ల నుండి ఏర్పడుతుంది. పరిశోధన సర్క్యూట్ రిక్లోజర్ తో పని చేస్తుంది, రిక్లోజర్ నియంత్రణ సర్క్యూట్ ద్వారా పరిశోధన చేస్తుంది, పరిశోధన ఫలితాల ఆధారంగా రిక్లోజింగ్ చేయాలేదో లేదో నిర్ణయిస్తుంది. పరిశోధన సర్క్యూట్ RCD ఫేజ్ లైన్లను, PE లైన్, గ్రౌండింగ్ రిజిస్టెన్స్లు Re1 మరియు Re2, ట్రాన్స్ఫర్మర్ న్యూట్రల్ N లైన్ ను కలిపి, ఫేజ్ లైన్లను, PE లైన్, గ్రౌండింగ్ రిజిస్టెన్స్లు Re1 మరియు Re2, ట్రాన్స్ఫర్మర్ న్యూట్రల్ N లైన్, మరియు పరిశోధన సర్క్యూట్ ద్వారా లూప్ ఏర్పరచుతుంది.
పరిశోధన సర్క్యూట్ యొక్క PE లైన్ ఉపకరణ ఎన్క్లోజ్యుర్లను కలిపి ఉండకపోతుంది, ఫిగర్ 2 లో ప్రత్యేకంగా చూపబడింది; అన్నింటికి ఒక లూప్ ఫేజ్ లైన్లను, ఉపకరణ ఎన్క్లోజ్యుర్, మరియు PE లైన్ ద్వారా ఏర్పరచవచ్చు, ఇది రిక్లోజర్ యొక్క పరిశోధన సర్క్యూట్ PE లైన్ ను ఉపకరణ ఎన్క్లోజ్యుర్ని కలిపి ఉండాలనుకుంది, ఫిగర్ 3 లో ప్రత్యేకంగా చూపబడింది. RCD ట్రిప్ చేసినప్పుడు, రిక్లోజర్ యొక్క లీకేజ్ పరిశోధన సర్క్యూట్లు a-PE, b-PE, c-PE వరుసగా ఉంటాయి. పరిశోధన సర్క్యూట్ సిగ్నల్ DC లేదా AC అవచ్చు, వోల్టేజ్ 24V కంటే ఎక్కువ కాదు.


3. ప్రధాన ప్రఫర్మన్స్ అవసరాలు
రిజిడ్యువల్ కరెంట్ ప్రొటెక్షన్ ఫంక్షన్ భద్రత సమస్యలను పరిష్కరిస్తుంది, అంతేకాక ఆటో-రిక్లోజింగ్ లైట్నింగ్ స్ట్రైక్ల ద్వారా చేర్చబడుతున్న శక్తి విరమణ సమస్యలను పరిష్కరిస్తుంది. YD/T 2346-2011 "టెలికమ్యూనికేషన్ల ఆటో-రిక్లోజింగ్ రిజిడ్యువల్ కరెంట్ ప్రొటెక్టివ్ డైవైస్ల టెక్నికల్ కండిషన్స్" కొన్ని పారమైటర్లను పరిశోధిస్తుంది.
ఆటో-రిక్లోజింగ్ ఫంక్షన్ శక్తి నిరంతరత మరియు భద్రత కారణాలను సమానంగా చేయాలి.
(1) రిక్లోజింగ్ ప్రయత్నాల సంఖ్య వాడుకరి దృష్టి నుండి ఎక్కువ రిక్లోజింగ్ ప్రయత్నాలు చాలా చక్రాంగం; భద్రత దృష్టి నుండి, తక్కువ ప్రయత్నాలు చాలా చక్రాంగం. లీకేజ్ కరెంట్ పరిశోధన లేని ఆటో-రిక్లోజింగ్ ఉత్పత్తులకు, స్టాండర్డ్ ముఖ్యంగా మూడు ఆటోమాటిక్ రిక్లోజింగ్ ప్రయత్నాలను అనుమతిస్తుంది.
(2) రిక్లోజింగ్ సమయం అంతరం శక్తి ఉపయోగ దృష్టి నుండి, సున్నా సమయం అంతరం చాలా చక్రాంగం; భద్రత దృష్టి నుండి, ఇది చాలా చొప్పున్నం ఉండాలి. స్టాండర్డ్ నిర్ధారిస్తుంది: ప్రొటెక్టర్ ప్రయత్నాల తర్వాత లైన్ లీకేజ్ పరిశోధన కార్యక్షమత లేనట్లయితే, రిజిడ్యువల్ కరెంట్ ప్రొటెక్టివ్ డైవైస్ ట్రిప్ చేసిన తర్వాత 20~60 సెకన్ల తర్వాత ఒకసారి ఆటోమాటిక్ రిక్లోజింగ్ చేయాలి; ఇది విఫలం అయితే, 15 నిమిషాల తర్వాత రెండవ రిక్ల (4) అంతర్మధ్యం ప్రతిఘటన శక్తి ప్రతిరక్షకంలో చాలా ఎలక్ట్రానిక్ సర్క్యుట్లు ఉండవచ్చు మరియు దానికి ప్రయోజనం వహించే అంతర్మధ్యం ప్రతిఘటన శక్తి ఉండాలి. లేకపోతే, దానిని ఉపయోగించలేము. ప్రమాణం ఈ విధంగా నిర్ధారిస్తుంది: అంతర్మధ్యం ప్రతిరక్షక పరికరంలో క్షమమైన ప్రవాహాలు ఉండాలి, వాటి ద్వారా ప్రవహించే ప్రవాహాల కారణంగా ప్రతిఘటన శక్తి ఉండాలి. టైమ్-డెలై రకమైన అంతర్మధ్యం ప్రతిరక్షక పరికరాలు ప్రవాహాల కారణంగా తప్పు పనిప్రక్రియల నుండి సురక్షితంగా ఉండాలి. L-N మధ్య ప్రయోగించబడున్న 1.2/50μs (8/20μs) కంబైన్డ్ వేవ్, 2kV ప్రభావ వోల్టేజ్ తప్పు పనిప్రక్రియలను కారణం చేయకూడదు. L-N మధ్య ప్రయోగించబడున్న 1.2/50μs, 4kV ప్రభావ వోల్టేజ్ నమూనాను నశ్వరం చేయకూడదు, మరియు దాని పని సాధారణంగా జారుంచాలి. L మరియు N మధ్య 8/20μs, 20kA అంతర్మధ్యం ప్రవాహం ప్రవహించినప్పుడు, అదనపుగా ఇన్స్టాల్ చేయబడిన ప్రతిఘటన ప్రతిరక్షక పరికరాలు ఉంటే, నమూనా నశ్వరం కాకుండా సాధారణంగా పనిచేయాలి. 4. నివేదికలు మరియు సూచనలు అవతరణ ప్రాథమిక ప్రతిరక్షక పరికరాలు అంతర్మధ్యం ప్రభావం కారణంగా సంచరణ వ్యవస్థలో విచ్ఛిన్నత సమస్యలను సమాధానం చేయగలవు, సంచరణ వ్యవస్థల అంతర్మధ్యం ప్రతిరక్ష శక్తిని పెంచుకోవచ్చు, మరియు వాటి సురక్షితమైన మరియు నమ్మకంగా ఉంటాయి. వాటి సంచరణ వ్యవస్థల అంతర్మధ్యం ప్రతిరక్ష శక్తిని పెంచుకోవడంలో ఒక చాలా సాఫల్యం గల విధానం.