| Merkki | Switchgear parts |
| Mallin numero | 40,5 kV käsinohjattu toimintamekanismi SF6-kaasuleikkaajan jousilla varustetulle syötteelle |
| Nominaljännite | 40.5kV |
| Nominalvirta | 630A |
| Nominaalitahde | 50/60Hz |
| Sarja | RNC-40.5 |
Tämä sarja mekanismeja käyttää tasaisen spiraaliraudan energiavarastoa kontrolloimaan kuormansiirtovalitsimen toimintaa, ja maatustoiminto käyttää puristusraudan energiavarastokontrollia. Työasemassa on kolme toimintapistettä: sulku, avaus ja maatut. Tämä tuotesarja sisältää viisi lukitusfunktiota, on pienikokoinen, helppo asentaa ja soveltuu hyvin erilaisiin olosuhteisiin. Tuote on menestysmukaisesti läpäissyt koko tarkastuksen ja vastaa G8 3804-2004 "3.6kV-40.5kV Korkean jännitteen vaihtovirtasuunauksien", GB 3906-2006 "3.6-40.5kV Vaihtovirtasuunauksien metallinen sulkukappale ja ohjauslaitteisto" sekä GB16926-2009 "Korkean jännitteen vaihtovirtasuunauksien ja sähkökatkaisijoiden yhdistelmälaitteet" vaatimuksia.
Kehäänvarastomekanismin käyttöohjeet
Sulkuoperaatio
Varmista, että tuotteessa ei ole kuljetusvastaanotoksissa, ja kiinnitä kuormansiirtovalitsimeen, aseta käyttölevy mekanismin yläosaan, käännä n. 90 astetta myötäpäivään, jolloin kuormansiirtovalitsin suljetaan kehäänvaraston voiman alaisena. Tai sähköinen operaatio, paina sulkupainiketta, moottori ajaa mekanismia suorittamaan sulku- ja kiertoon siirtymisen, tällöin maatustoimintoa ei voi suorittaa.
Avausoperaatio
Aseta käyttölevy mekanismin yläosaan ja käännä noin 90 astetta vastapäivään, jolloin kuormansiirtovalitsin suljetaan mekanismin kehäänvaraston voiman alaisena, ja päävirta katkaistaan. Tai sähköinen operaatio, paina kytkentäpainiketta, moottori ajaa mekanismia suorittamaan avaustoiminnon, tällöin voidaan suorittaa sulku- tai maatustoiminto.
Maatut sulku- ja maatustoiminto
Aseta käyttölevy mekanismin alaosan osaan ja käännä noin 90 astetta myötäpäivään. Kuormansiirtovalitsin suljetaan maatuun piiriin mekanismin kehäänvaraston voiman alaisena, jolloin päävirta suljettavaksi ei voi ottaa käyttöön tällä hetkellä. Käännä käyttölevy noin 90 astetta vastapäivään, ja kuormansiirtovalitsin sulkee maatuun piiriin mekanismin kehäänvaraston voiman alaisena, mikä mahdollistaa sulku- tai maatustoiminnon.
Mallin koostumus ja merkitys

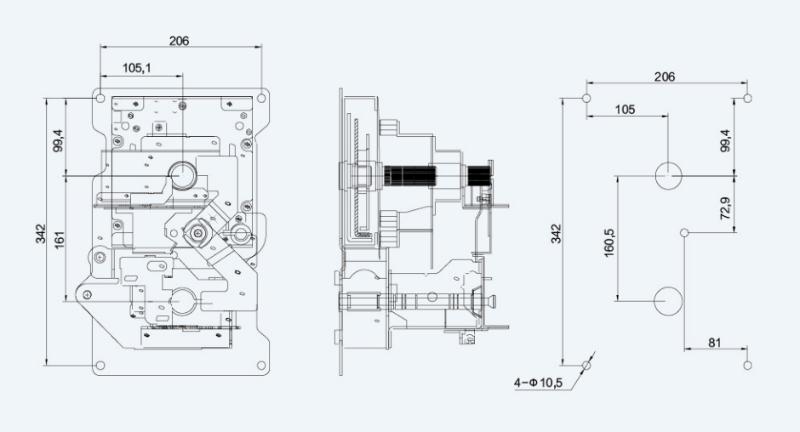
Ulkonäkö ja asennusmitat
